راهنمای نصب موتور درب ریلی فک مدل 844
🕒 آخرین بروزرسانی: 4 دی, 1403
پادکست صوتی راهنمای نصب فک مدل 844
در ادامه این مطلب می خوانید
Toggleراهنمای نصب موتور درب ریلی FAAC مدل 844
مقدمه
موتور درب ریلی FAAC مدل 844 یکی از پیشرفتهترین سیستمهای الکترومکانیکی طراحیشده برای کنترل دربهای کشویی است. این سیستم با طراحی مقاوم، امکانات ایمنی پیشرفته و قابلیت تنظیم دقیق، گزینهای ایدهآل برای پروژههای مسکونی و صنعتی است. این راهنما به صورت گامبهگام تهیه شده تا نصاب بتواند بدون نیاز به منابع دیگر، موتور را بهطور کامل نصب و راهاندازی کند. در این راهنما جزئیات فنی، تنظیمات برد، نحوه نصب فتوسل و ریموتها به تفصیل توضیح داده شده است تا بتوانید با راهنمای نصب موتور درب ریلی فک مدل 844، این سیستم را نصب کنید.

مرحله 1: بررسیهای اولیه
پیش از شروع نصب، راهنمای نصب موتور درب ریلی فک مدل 844 به دقت مطالعه کنید و اطمینان حاصل کنید که محیط نصب و تجهیزات برای این کار مناسب هستند. ابتدا وزن درب را بررسی کنید؛ این موتور میتواند دربهایی با حداکثر وزن 1800 کیلوگرم (با استفاده از چرخدنده Z16) را پشتیبانی کند. همچنین سرعت حرکت درب با این موتور 9.5 متر در دقیقه است که برای محیطهای مسکونی و صنعتی مناسب است. ساختار درب باید کاملاً پایدار باشد و دارای چرخهایی مناسب برای وزن درب باشد. همچنین، وجود راهنمای بالایی و توقفهای مکانیکی در دو انتهای مسیر حرکت درب ضروری است تا درب از مسیر خود خارج نشود.
از سوی دیگر، محیط نصب نیز باید از نظر پایداری زمین مناسب باشد. مطمئن شوید که محل نصب فاقد لوله یا کابل زیرزمینی است. اتصال به زمین (ارت) باید به درستی اجرا شده باشد تا از آسیبهای احتمالی به تجهیزات یا افراد جلوگیری شود. در نهایت، ابزارهایی مانند تراز، متر، دریل، آچار و دستگاه جوش برای نصب آماده داشته باشید.
مرحله 2: آمادهسازی پایه فونداسیون
پایه فونداسیون باید محکم و کاملاً تراز باشد تا موتور به درستی عمل کند. برای شروع، پایه را طبق دستورالعمل مونتاژ کرده و مطمئن شوید که ابعاد و شکل آن با مشخصات ارائهشده در کاتالوگ مطابقت دارد. این پایه باید در محلی نصب شود که تحمل بار موتور و درب را داشته باشد. استفاده از بتن مسلح برای ایجاد پایهای محکم توصیه میشود. عمق بتنریزی باید حداقل 40 سانتیمتر باشد تا از پایداری لازم برخوردار شود.
در حین نصب پایه، توجه داشته باشید که پایه باید کاملاً تراز باشد. برای این کار از تراز استفاده کنید و هرگونه انحراف را اصلاح کنید. همچنین، پیش از بتنریزی، مسیر عبور کابلهای برق و سیگنال را مشخص کرده و لولههای محافظ کابل را نصب کنید. این کار در مراحل بعدی، سیمکشی را آسانتر میکند و از آسیبدیدگی کابلها جلوگیری میکند.

مرحله 3: نصب موتور
پس از آمادهسازی پایه، موتور را روی پایه نصب کنید. ابتدا لرزشگیرهای همراه موتور را روی پایه نصب کنید. این لرزشگیرها از انتقال ارتعاش موتور به سازه جلوگیری میکنند و باعث عملکرد روانتر سیستم میشوند. سپس، موتور را روی پایه قرار داده و با پیچ و مهرههای ارائهشده آن را محکم کنید. در حین سفت کردن پیچها، از گشتاور مناسب (حدود 25 نیوتنمتر) استفاده کنید تا موتور به درستی در جای خود قرار گیرد.
کابلهای موتور و سایر تجهیزات جانبی را از کانالهای عبوری تعبیهشده در پایه عبور دهید. کابلها را با دقت هدایت کنید تا از آسیبهای احتمالی جلوگیری شود. کاور موتور را نصب کنید تا از تجهیزات داخلی در برابر گرد و غبار و ضربه محافظت شود. این کاور همچنین به حفظ ظاهر زیبای سیستم کمک میکند.
مرحله 4: نصب رک (Rack)
رکها نقش کلیدی در انتقال حرکت موتور به درب دارند و باید با دقت نصب شوند. دو روش برای نصب رک وجود دارد: جوشی و پیچشونده. در روش جوشی، رک را روی چرخدنده موتور قرار داده و با جوشکاری در محلهای مشخص به درب متصل کنید. اطمینان حاصل کنید که رک بهصورت کامل با چرخدنده درگیر است و هیچ فاصلهای وجود ندارد. فاصله مطلوب بین رک و چرخدنده حدود 0.5 تا 1 میلیمتر است. این فاصله باید در تمام طول حرکت ثابت باشد.
در روش پیچشونده، رک را با استفاده از پیچ و مهره و فضاگیرهای مخصوص به درب متصل کنید. این روش انعطاف بیشتری در تنظیم موقعیت رک ارائه میدهد و نیاز به دقت بالایی دارد. از استفاده از روغن یا گریس بین رک و چرخدنده خودداری کنید، زیرا میتواند باعث لغزش و کاهش عملکرد سیستم شود. پس از نصب رک، حرکت درب را بهصورت دستی بررسی کنید تا از درگیری کامل رک با چرخدنده مطمئن شوید.

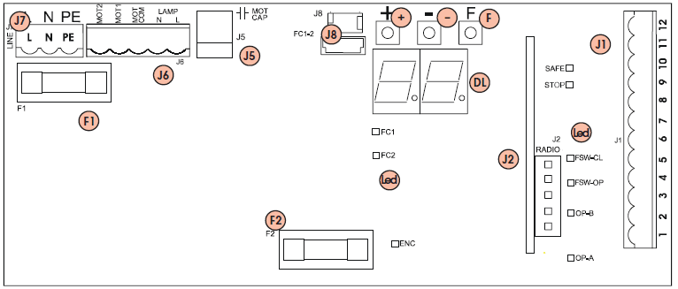
مرحله 5: سیمکشی و اتصال به کنترلبرد
اتصالات الکتریکی یکی از مراحل حساس نصب است که نیاز به دقت بالایی دارد. ابتدا کابلهای موتور، چراغ هشدار و فتوسلها را طبق دیاگرام سیمکشی به ترمینالهای مربوطه روی کنترلبرد متصل کنید. برای موتور، از ترمینالهای MOT1 و MOT2 استفاده کنید و کابل اتصال به زمین را به ترمینال PE و همچنین پایه موتور متصل کنید.
برای نصب چراغ هشدار، از ترمینالهای LAMP-L و LAMP-N استفاده کنید. چراغ هشدار باید در محلی نصب شود که از فاصله دور قابل مشاهده باشد. فتوسلها را به ترمینالهای FSW-OP و FSW-CL متصل کنید. این فتوسلها نقش کلیدی در جلوگیری از برخورد درب با موانع دارند. توجه داشته باشید که مسیر کابلهای برق و سیگنال از یکدیگر جدا باشد تا از نویز الکتریکی جلوگیری شود.
مرحله 6: تنظیمات برد کنترل (780D)
برد کنترل 780D قابلیتهای پیشرفتهای دارد که امکان تنظیم دقیق عملکرد سیستم را فراهم میکند. برای ورود به حالت برنامهریزی، کلید F را فشار داده و نگه دارید. نمایشگر برد منوی تنظیمات را نمایش میدهد. ابتدا جهت باز و بستهشدن درب را تنظیم کنید. اگر درب به سمت راست باز میشود، تنظیم RA و در غیر این صورت LA را انتخاب کنید.
زمان باز و بستهشدن درب را با توجه به طول درب تنظیم کنید. این زمان بین 10 تا 250 ثانیه قابل برنامهریزی است. در بخش تنظیمات پیشرفته، میتوانید گشتاور اولیه را برای دربهای سنگین فعال کنید. مقدار گشتاور بین 10 تا 50 تنظیم میشود. همچنین، حساسیت انکودر را بین 1 (بیشترین حساسیت) تا 10 (کمترین حساسیت) تنظیم کنید تا از آسیب به درب در هنگام برخورد با موانع جلوگیری شود.
چراغ پیشفلاش نیز برای ایمنی بیشتر توصیه میشود. این چراغ برای 5 ثانیه پیش از حرکت درب روشن میشود و به افراد هشدار میدهد. پس از انجام تنظیمات، عملکرد سیستم را با کلید دستی بررسی کنید و مطمئن شوید که چراغهای LED برد وضعیت صحیح را نشان میدهند.

مرحله 7: راهاندازی ریموتها
برای راهاندازی ریموتها، ابتدا ماژول گیرنده رادیویی را به پورت J2 روی برد متصل کنید. سپس کلید F را نگه دارید تا وارد حالت کددهی شوید. یکی از کلیدهای ریموت را فشار داده و نگه دارید تا چراغ LED روی برد چشمک بزند. این چشمک نشاندهنده ثبت موفقیتآمیز کد ریموت است. هر برد میتواند چندین ریموت را پشتیبانی کند، بنابراین میتوانید برای سایر کاربران نیز ریموتها را برنامهریزی کنید.
مرحله 8: نصب فتوسلها
فتوسلها نقش حیاتی در افزایش ایمنی سیستم دارند. این تجهیزات باید در ارتفاع 50 تا 60 سانتیمتر از سطح زمین نصب شوند. فتوسلها در دو طرف درب قرار میگیرند و با تشخیص موانع، حرکت درب را متوقف میکنند. برای نصب، ابتدا فتوسلها را در محلهای مناسب نصب کرده و به ترمینالهای FSW-OP و FSW-CL متصل کنید. سپس عملکرد آنها را با قراردادن مانعی در مقابل فتوسلها بررسی کنید. در صورت کارکرد صحیح، درب باید بلافاصله متوقف شود.



